
Amplifier Interfaces
Having developed the analogue input conversion and display process, we can
move on to the interfacing hardware itself. Input signals often need condition-
ing before being fed to the MCU analogue inputs. This can involve amplifiers
to increase the signal amplitude, attenuators to reduce it, and filters to change
the frequency response. For now, we will limit ourselves to DC signals and
amplifiers, as these are most frequently used in MCU applications and are more
straightforward. For processing of AC signals, standard references should be
consulted.
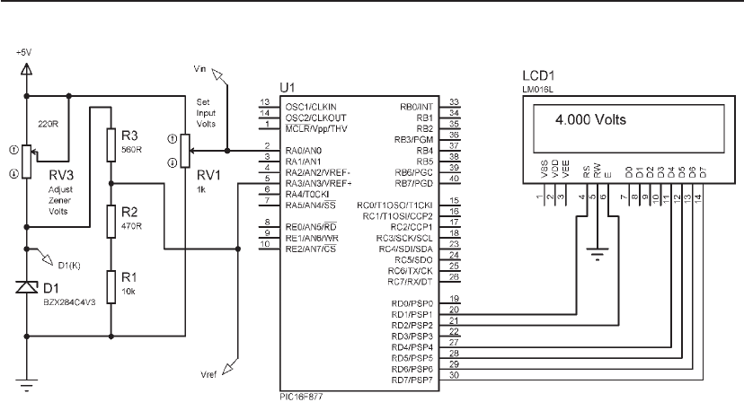
Figure 7.6 shows a range of different amplifiers connected to the PIC MCU.
They are ...