Skip to Content
Engineering Physics
book

Engineering Physics

by S. Mani Naidu
October 2009
Intermediate to advanced
503 pages
14h 28m
English
Pearson India
Content preview from Engineering Physics

8.16 V–I characteristics of p-n diode

A diode shows variation in electric current passing through it when the biasing voltage is varied. V–I characteristics of the diode have been studied separately for both forward bias and reverse bias.

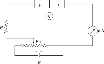
(i) Forward bias: The circuit diagram for a p-n diode in forward bias is shown in Fig. 8.22.

 

Figure 8.22 Circuit for forward biased p-n diode

images

By varying the rheostat contact, the voltage applied to the diode can be slowly increased. The voltage applied across the diode can be recorded with a voltmeter connected in parallel to the diode. To control the flow of current through the diode, a resistor R is connected ...

Become an O’Reilly member and get unlimited access to this title plus top books and audiobooks from O’Reilly and nearly 200 top publishers, thousands of courses curated by job role, 150+ live events each month,
and much more.
Start your free trial

You might also like

Engineering Physics

Engineering Physics

S. Mani Naidu
Applied Physics

Applied Physics

S. Mani Naidu
Engineering Mathematics

Engineering Mathematics

P. Sivaramakrishna Das, C. Vijayakumari
Engineering Mechanics

Engineering Mechanics

Dwarka Prasad Sharma

Publisher Resources

ISBN: 9788131775073